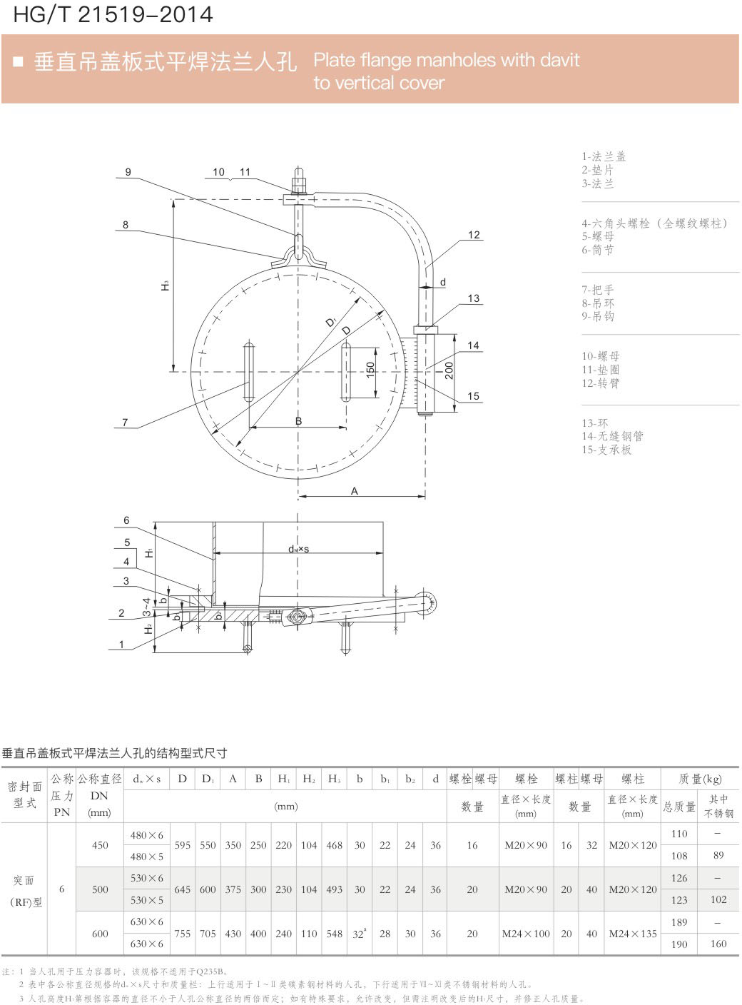
产品展示 >垂直吊盖板式平焊法兰人孔

05-1.jpg